1-800-513-3163 Sales@LM76.com

 

Home     About LM76        PDF Application Documents      Contact Information 

 

Closed & Open FDA Bearing Pillow Blocks & Single Flange Bearing Blocks

FDA/USDA Compliant Linear Motion Bearings feature a 304 Stainless Steel Shell which is lined with A FDA/USDA Compliant, Self Lubricating, PTFE Liner. Washdown - Food Service - Inclusion Resistant - Chlorine Dilution Friendly - Rugged Linear Motion Bearings are direct drop-in replacements for linear ball bearings. ETX Seal for FDA/USDA Applications can be supplied.

 

  • LM76 Linear Motion Bearings are direct drop-in replacements for linear ball bearings.
  • Self-Lubricating FDA Linear Bearings are self-lubricating and because our PTFE Composite have no abrasive fillers, it can run on RC60, soft 300 series stainless and aluminum.
  • L P/N are Closed Bearings
  • LX P/N are Open Bearings
  • Part Number Example LPB1625-FDA-NP

 

PSI PV Coefficient of Friction FDA Compliance Shaft Max Speed Washdown
1000 10,000 .1-1.5 300 Series Stainless 400 SFM

 

 

 

NP Pillow Blocks & Flange Blocks
Compliant Pillow and Flange blocks can be used with 440C
Linear Ball Bearings, Minuteman PTFE and LM76 FDA Stainless PTFE Linear Bearings.


Electroless Nickel coating is extremely uniform and will not generate excessive buildup on corners or projections. Typical plating thickness for FOODSTREAM pillow blocks is .0002 - .0003 thickness. LM76s Electroless Nickel satisfies the End of Life Vehicle Directive” (ELV), the European Unions Reduction of Hazardous Substances (RoHS), as well as the Waste from Electrical and Electronic Equipment (WEEE) directives. It is strictly a functional coating offering high corrosion resistance and improved wear resistance. Unless otherwise requested, all plating is furnished in accordance with MIL-C-26074 its superior wear resistance is clearly demonstrated when, in the as-plated condition, it has a Taber Wear Factor of 2.13 compared to that of hard chrome. Electroless nickel deposits guarantee 100% coverage and are so uniform that the surface finish is normally duplicated and after plate machining or polishing is often eliminated. Threads and other complex shapes also maintain their original geometry after plating.   Mil-C-26074, AMS-2404 • All Coatings are FDA Compliant and RoHS Compliant

 


For STEP files Call 1-800-513-3163 or email: mquinn@LM76.com

 

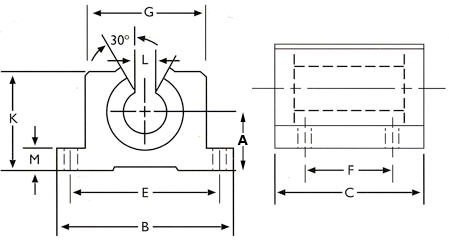
Closed Single NP Pillow Blocks  (LPB)
Part Number
Closed
Inch
Pillow Blocks
Shaft
Diameter
Class L
Tolerance

Shaft
Tolerance
Max

A
+/-
.003

B

C

D

E
+/-
.010

F
+/-
.010

G

Bolt Hole

K L
Min
M
Min
LPB 408-FDA-NP 1/4"

0.2495

.437

1-5/8

1-3/16

13/16

1.312

.750

1

#6-5/32

3/4 3/32 3/16
LPB 610-FDA-NP 3/8"

0.3745

.500

1-3/4

1-5/16

15/16

1.437

.875

1-1/8

#6-5/32

7/8 9/64 3/16
LPB 814-FDA-NP 1/2"

0.4995

.687

2

1-11/16

1-1/4

1.688

1.000

1-3/8

#6-5/32

1-1/8 5/16 1/4
LPB 1018-FDA-NP 5/8"

0.6245

.875

2-1/2

1-15/16

1-5/8

2.125

1.125

1-3/4

#8-3/16

1-7/16 3/8 9/32
LPB 1220-FDA-NP 3/4"

0.7495

.937

2-3/4

2-1/16

1-3/4

2.375

1.250

1-7/8

#8-3/16

1-9/16 7/16 5/16
LPB 1625-FDA-NP 1"

0.9995

1.187

3-1/4

2-13/16

2-3/16

2.875

1.750

2-3/8

#10-7/32

2 9/16 3/8
LPB 2032-FDA-NP 1-1/4"

1.2495

1.500

4.00

3-5/8

2-13/16

3.500

2.000

3

#10-7/32

2-1/2 5/8 7/16
LPB 2438-FDA-NP 1.5"

1.4994

1.750

4-3/4

4

3-1/4

4.125

2.500

3-1/2

1/4-9/32

2-7/8 3/4 1/2

 

 

For STEP files Call 1-800-513-3163 or email: mquinn@LM76.com

 

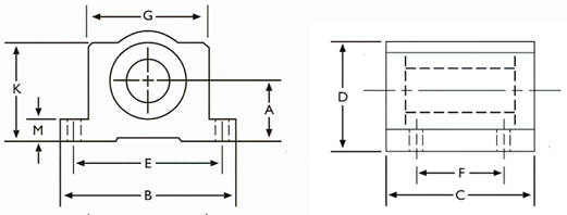
Open Single NP Pillow Blocks  (LXPB)
Part Number
OPEN
Inch
Pillow Blocks
Shaft
Diameter
Class L
Tolerance

Shaft
Tolerance
Max

A
+/-
.003

B

C

D

E
+/-
.010

F
+/-
.010

G

Bolt Hole

K L
Min
M
Min
LXPB 408-FDA-NP 1/4"

0.2495

.437

1-5/8

1-3/16

13/16

1.312

.750

1

#6-5/32

3/4 3/32 3/16
LXPB 610-FDA-NP 3/8"

0.3745

.500

1-3/4

1-5/16

15/16

1.437

.875

1-1/8

#6-5/32

7/8 9/64 3/16
LXPB 814-FDA-NP 1/2"

0.4995

.687

2

1-11/16

1-1/4

1.688

1.000

1-3/8

#6-5/32

1-1/8 5/16 1/4
LXPB 1018-FDA-NP 5/8"

0.6245

.875

2-1/2

1-15/16

1-5/8

2.125

1.125

1-3/4

#8-3/16

1-7/16 3/8 9/32
LXPB 1220-FDA-NP 3/4"

0.7495

.937

2-3/4

2-1/16

1-3/4

2.375

1.250

1-7/8

#8-3/16

1-9/16 7/16 5/16
LXPB 1625-FDA-NP 1"

0.9995

1.187

3-1/4

2-13/16

2-3/16

2.875

1.750

2-3/8

#10-7/32

2 9/16 3/8
LXPB 2032-FDA-NP 1-1/4"

1.2495

1.500

4.00

3-5/8

2-13/16

3.500

2.000

3

#10-7/32

2-1/2 5/8 7/16
LXPB 2438-FDA-NP 1.5"

1.4994

1.750

4-3/4

4

3-1/4

4.125

2.500

3-1/2

1/4-9/32

2-7/8 3/4 1/2

 

 

 

For STEP files Call 1-800-513-3163 or email: mquinn@LM76.com


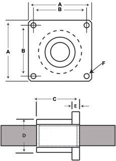
Single NP Flange Blocks
P/N Shaft Dia. Class L A

B
+/- .010

C

D

E
+/-
.010

F
Fastener

F
Through Hole
LF6-FDA-NP 3/8" 1 1/4" 0.875 1 5/16" 7/8" 3/16" #6 5/32
LF8-FDA-NP  1/2"

1-5/8

1-5/8

1-11/16

1-1/4

1/4

#8

3/16
LF10-FDA-NP 5/8" 2 1.500 1 15/16 1 1/2 1/4 #8 3/16
LF12-FDA-NP 3/4"

2-3/8

1-3/4

2-1/16

1-3/4

3/8

#10

7/32
LF16-FDA-NP 1"

2.750

2.125

2-13/16

2-1/4

1/2

1/4

9/32
LF20-FDA-NP 1 1/4" 3 2.250 3 5/8 2 1/2" 1/2 1/4 9/32